网站支持IPV6
长者模式
登录
/
注册
切换模式
首页
政府信息公开
互动交流
办事服务
专题专栏
数据开放
个人模式
省局要闻
招考录用
查询服务
来信公示
企业模式
行业动态
办事事项
政策解读
政府采购
角色模式
搜索
热门搜索:
网络视听
广播电视
媒体融合
村村响
播音主持
首页
政府信息公开
互动交流
办事服务
专题专栏
数据开放
当前位置:
首页
-
政府信息公开
-
法定主动公开内容
-
财政预决算
-
决算公开
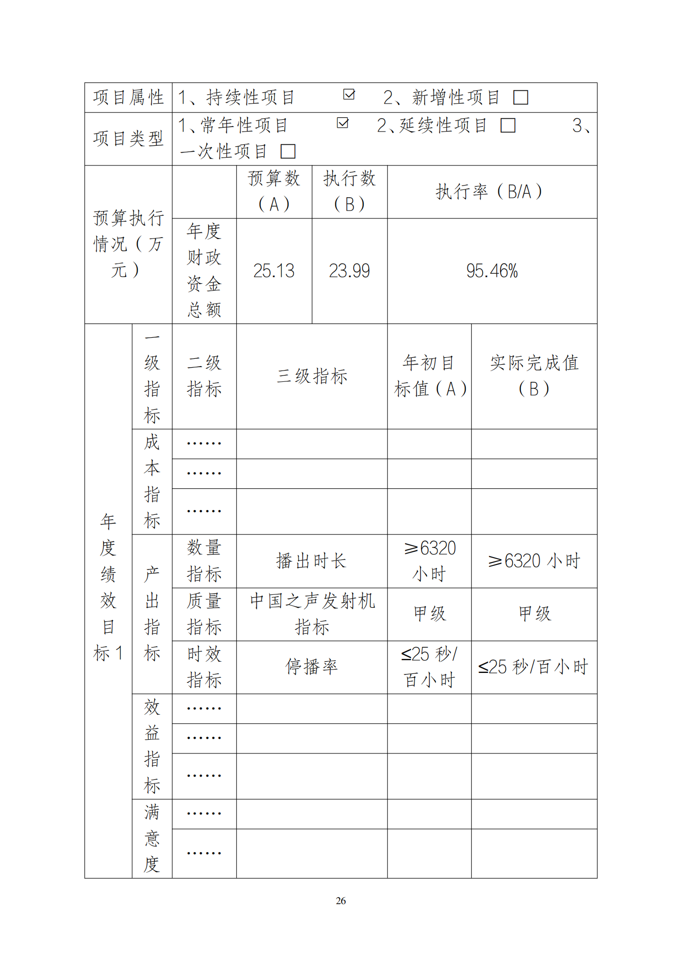
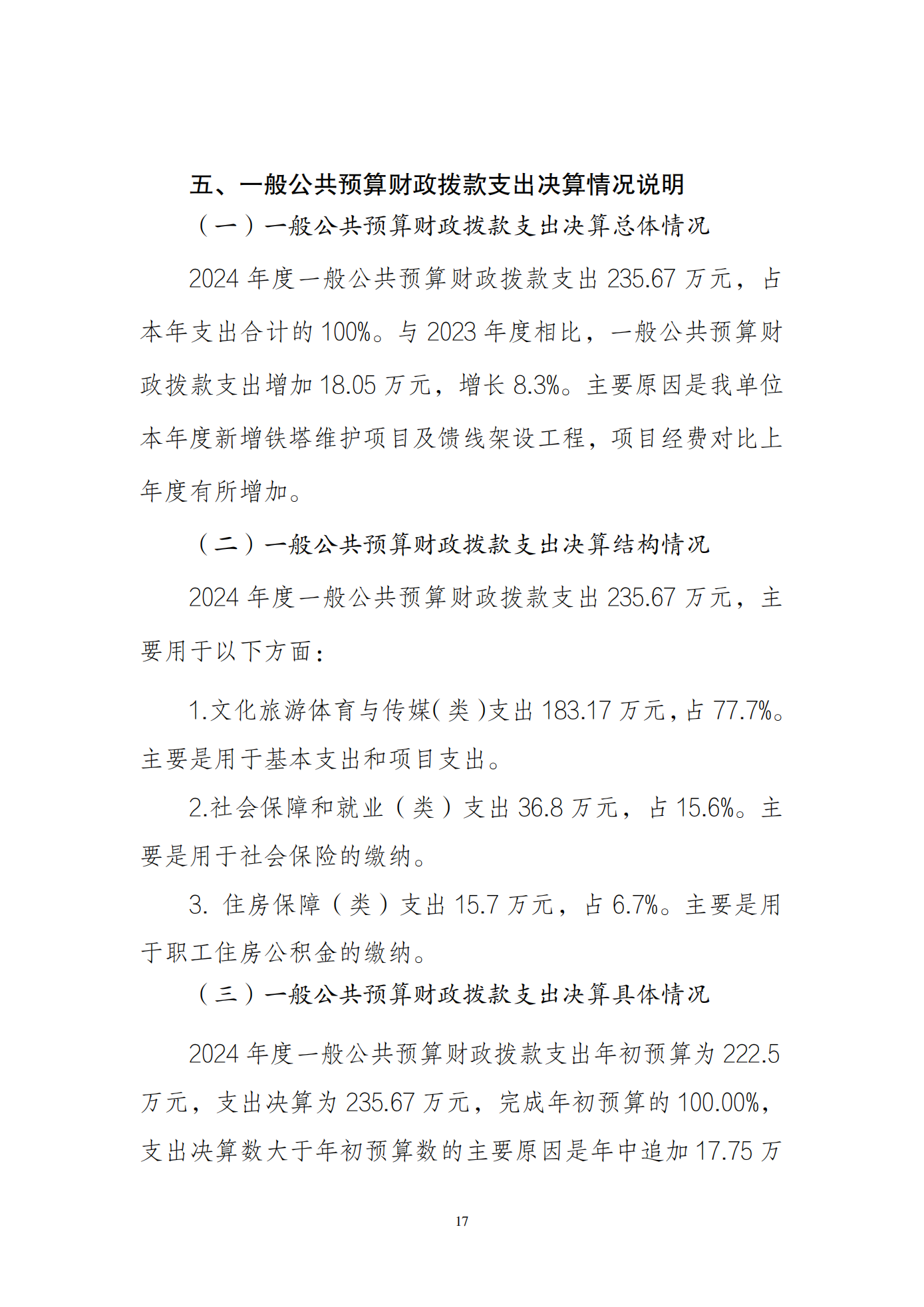
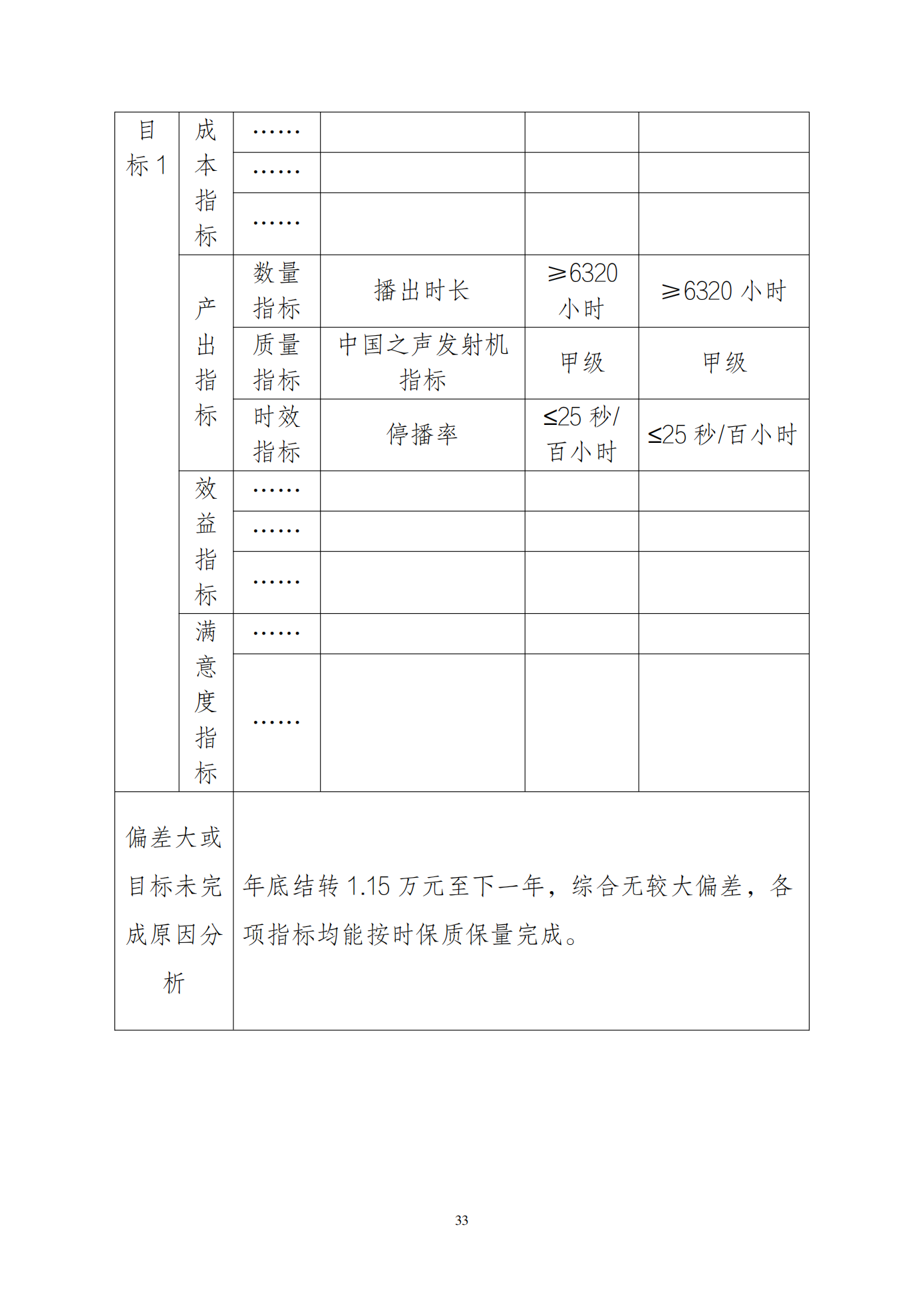
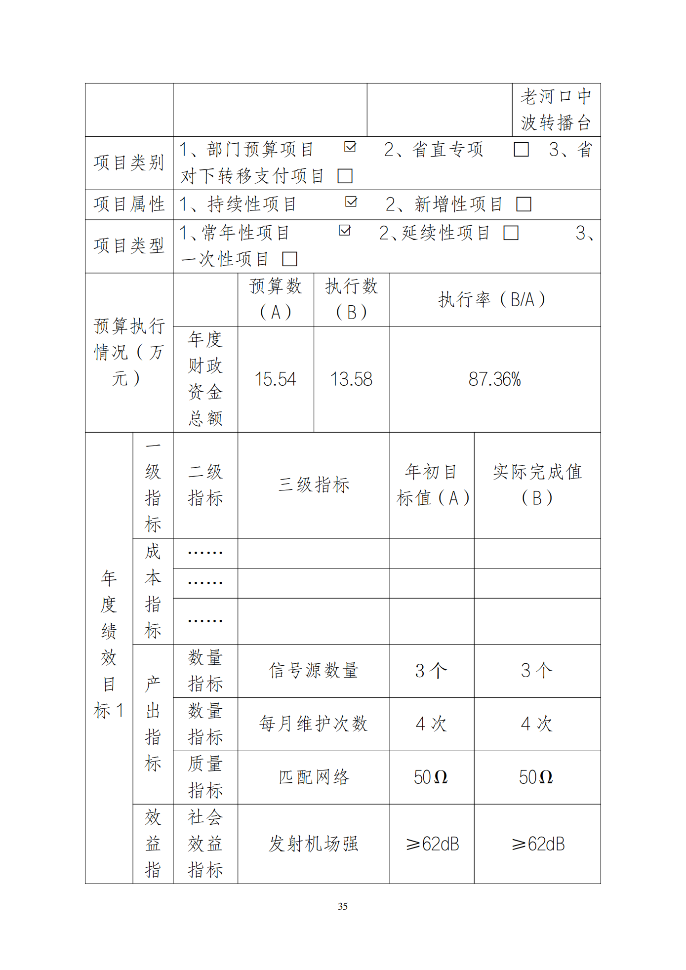
湖北省广播电视局老河口中波转播台2024年度部门决算
来源:湖北省广播电视局
时间:2025-09-19 16:17
浏览:
视力保护色:
扫一扫在手机上查看当前页面
相关附件:
扫一扫在手机上查看当前页面
相关文档
关联链接
字体放大
字体默认
字体缩小
打印
分享
×
您访问的链接即将离开“
”门户网站 是否继续?